Главная
»
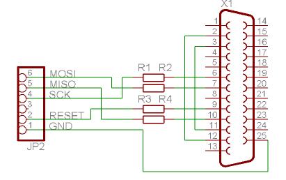
Программатор atmega
Программатор atmega. Программатор lpt порт. lpt программатор для atmega8. lpt 5 проводов программатор avr. lpt-программатор stk200/300.
« Предыдущее
59 / 72
Следующее »