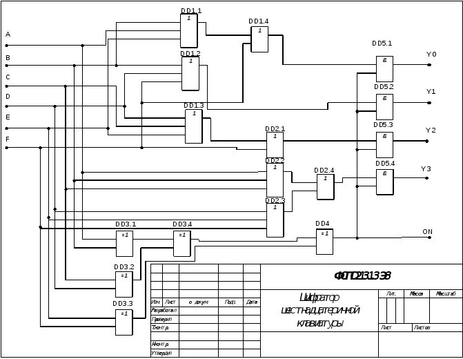
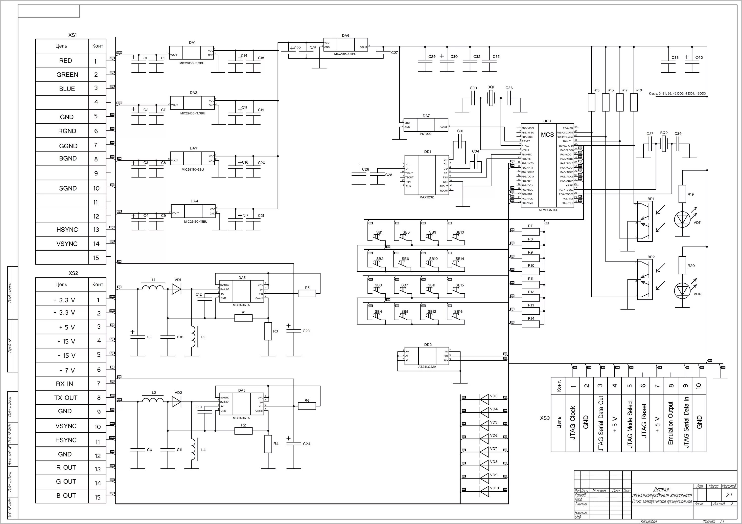
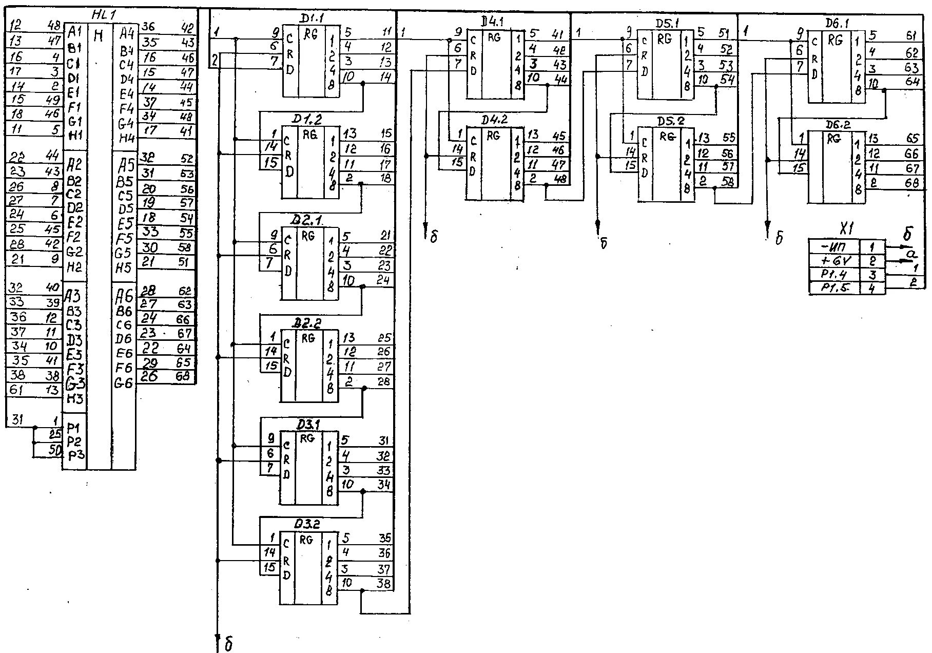
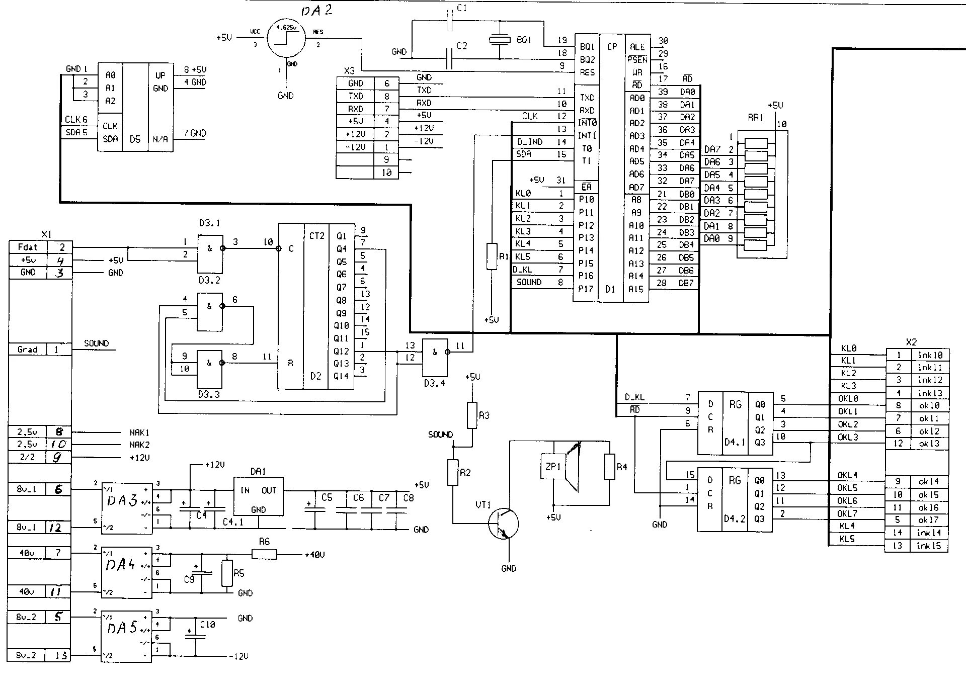
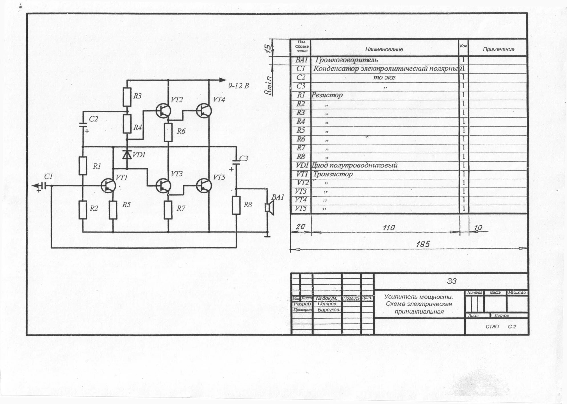
Схема э3