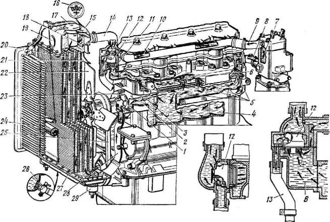
Система охлаждения мтз