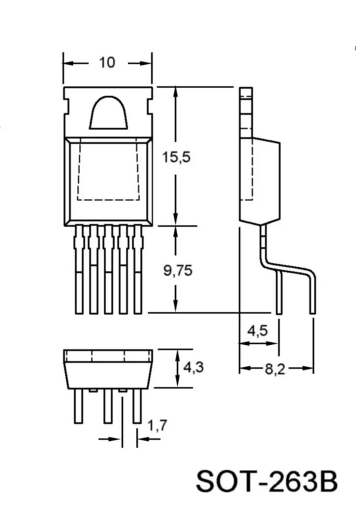
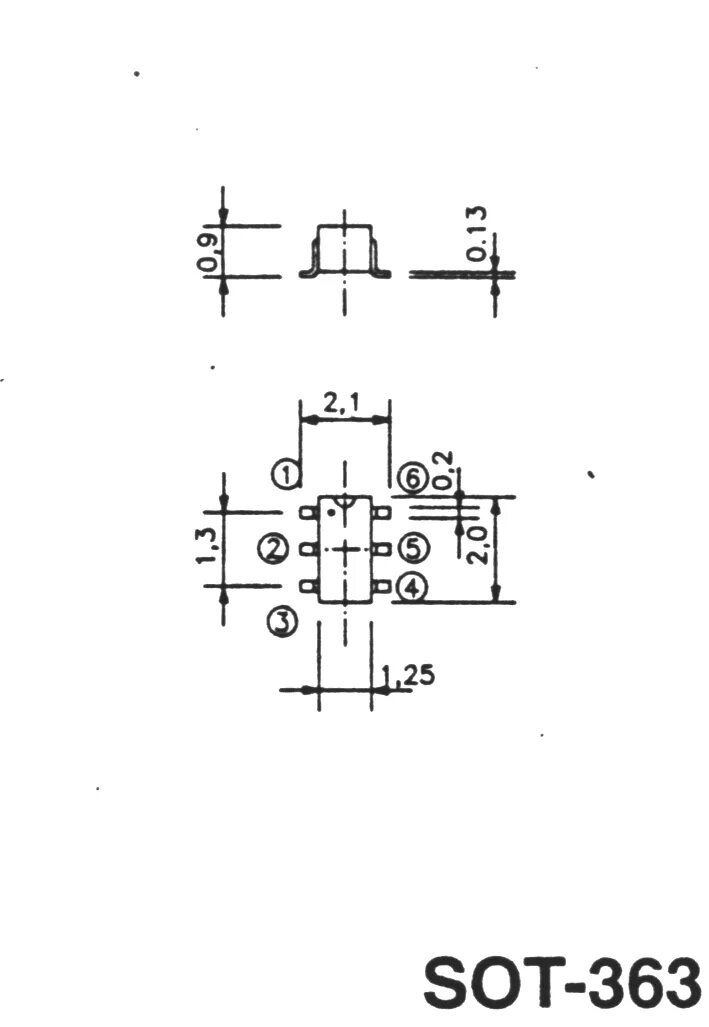
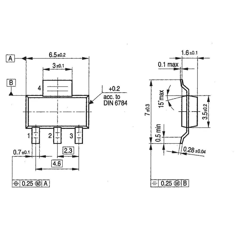
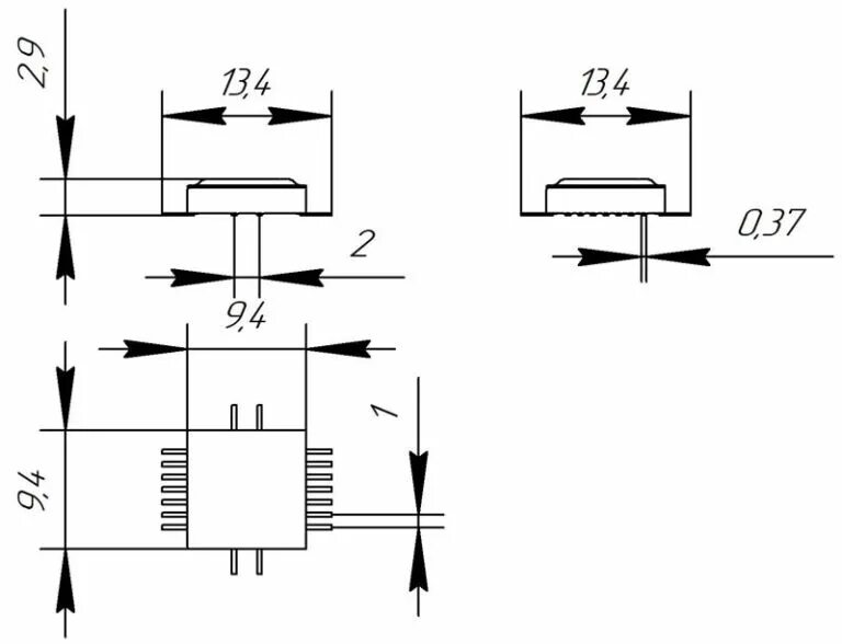
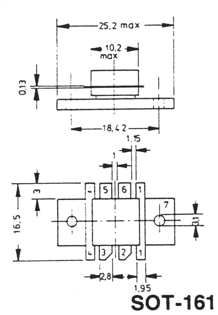
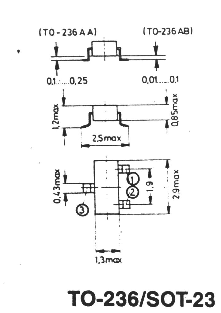
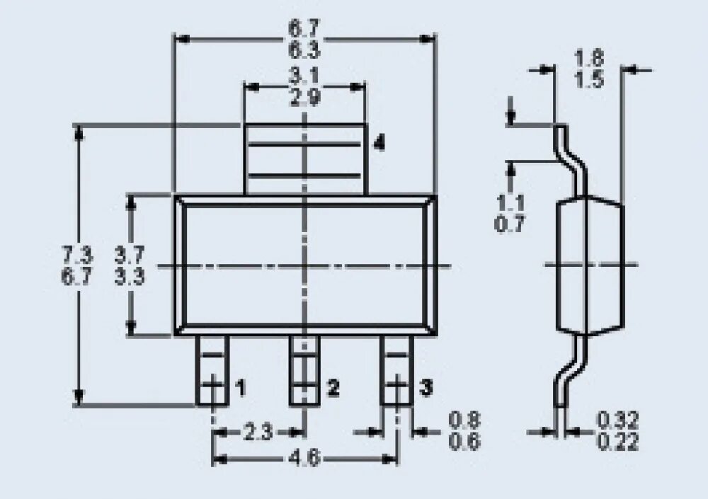
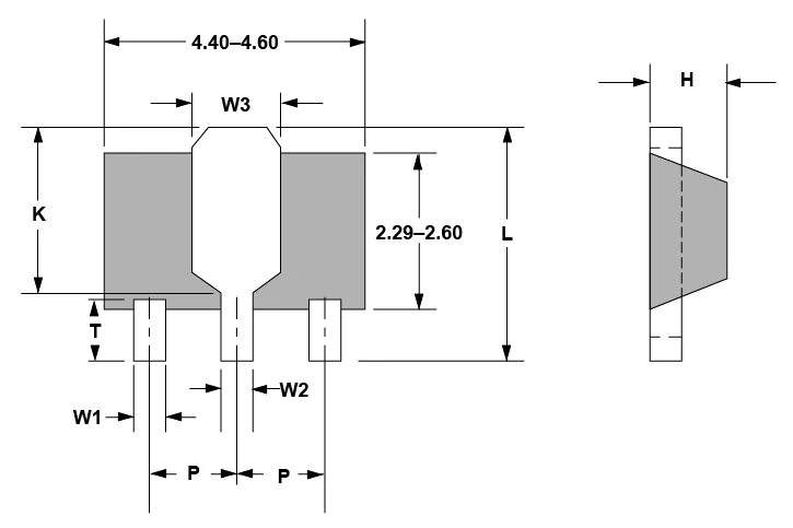
Sot размеры