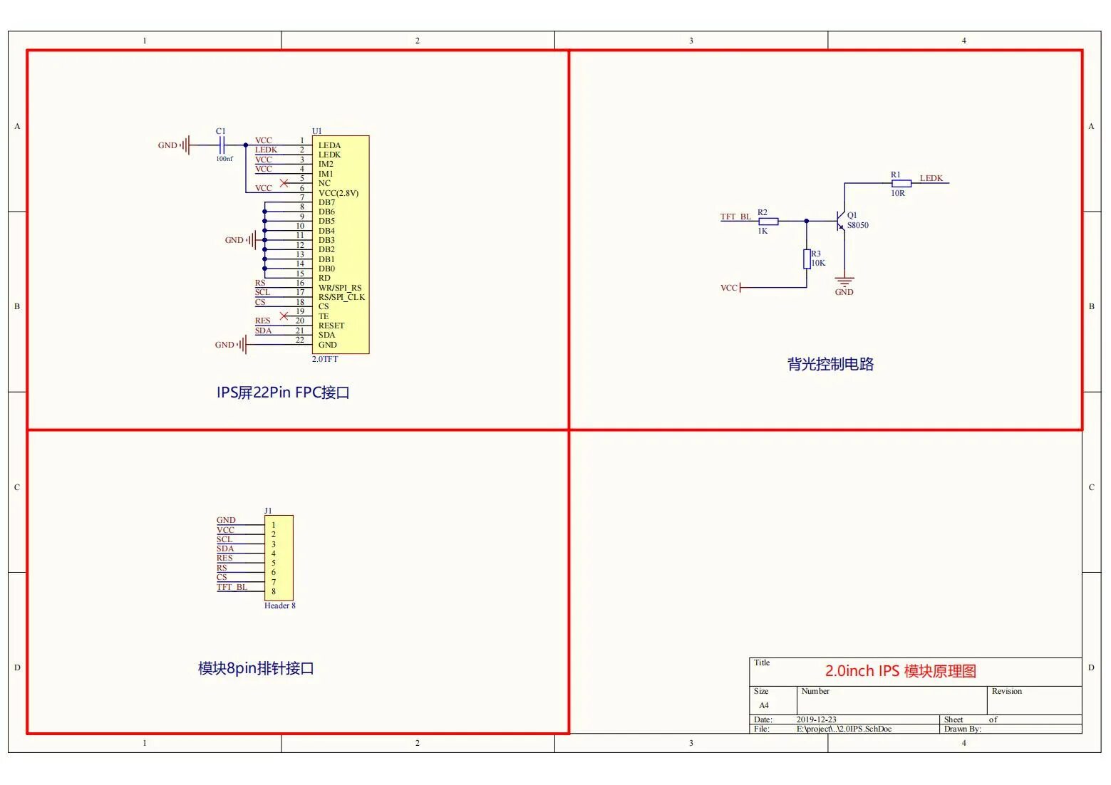
St7789 подключение к arduino