Главная
»
St7789 подключение к arduino
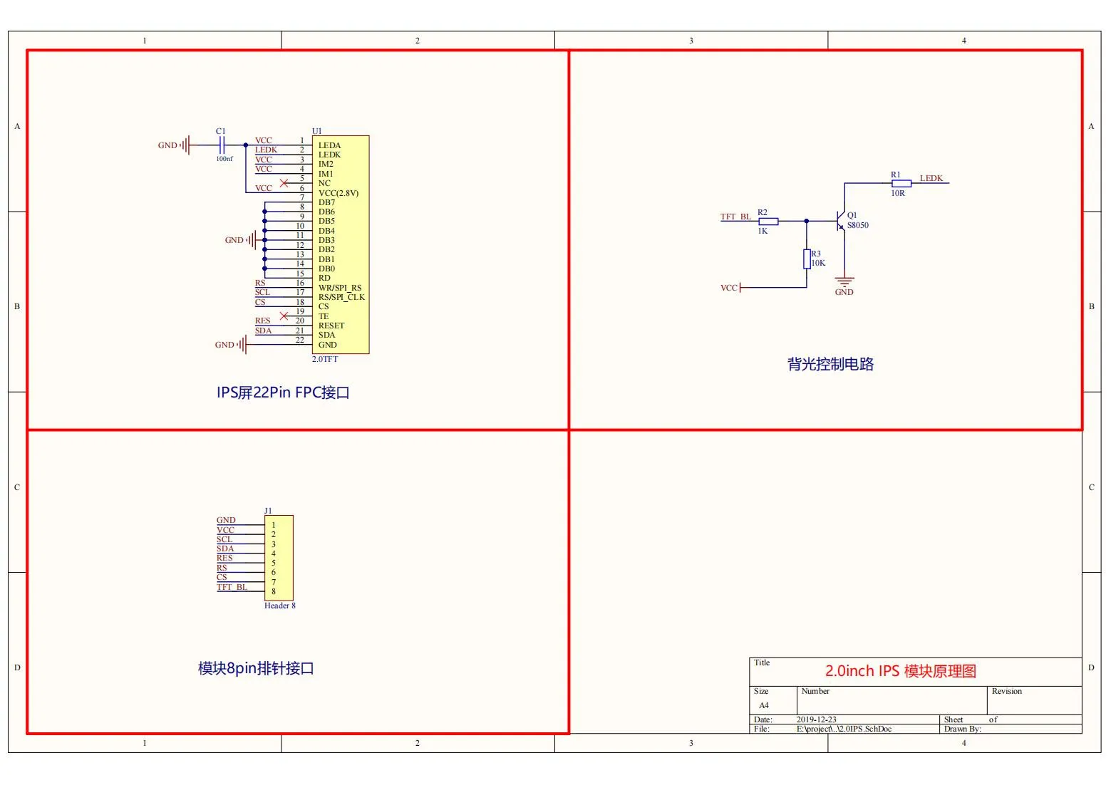
St7789 подключение к arduino. St7789 схема. линейный интерфейс это. st7789 240x240. tft st7789.
« Предыдущее
37 / 40
Следующее »